堆焊耐磨鋼板簡介
堆焊耐磨鋼板是北京耐默公司采用專用堆焊設備制作的高硬度堆焊鋼板,主要規格有:3+3、4+4、5+5、6+4、6+6、8+4、8+6、8+8等,也可以根據客戶要求定制各種堆焊耐磨鋼板。

圖(1)堆焊耐磨鋼板是捆裝待發
堆焊耐磨鋼板的技術參數
堆焊耐磨鋼板的合金層的化學成分中碳含量達4~5%,鉻含量高達25~30%,其金相組織中Cr7C3碳化物的體積分數達到50%以上,宏觀硬度為HRC56~62,碳化鉻的硬度為HV1400~1800,高于沙石中石英的硬度HV800~1200。由于碳化物成于磨損方向相垂直分布,即使與同成分和硬度的鑄造合金相比較,耐磨性能提高一倍以上。與幾種典型的材料耐磨性對比如下:
(1)與低碳鋼;20~25:1
(2)與高錳鋼;5~10:1
(3)與工具鋼;5~10:1
(4)與鑄態高鉻鑄鐵;1.5~2.5:1

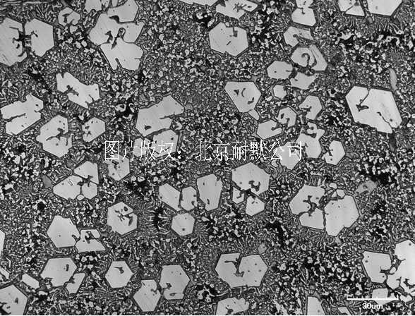
圖(2)堆焊耐磨鋼板中的碳化物顆粒金相
堆焊耐磨鋼板的優勢
為什么選擇堆焊耐磨鋼板?這是一些剛剛接觸耐磨材料領域的人心中常有的想法,在電廠、水泥廠等企業,他們對堆焊耐磨鋼板十分青睞,這又是為什么呢?帶著這個疑問,我們專程走訪了北京耐磨科技有限公司,這里的耐磨專家給出了我們答案:
選擇堆焊耐磨鋼板的理由主要有以下幾點
1. 提高經濟效益:提高設備作業率,減少停產檢修損失,提高產能,增加效益;
2. 降低制作成本:減少工人數量,一次投資長期受益,性價比高;
3. 改善制作環境:避免跑冒滴露,有利環境保護,有利于廠區清潔;
4. 保護工人健康:減少惡劣環境工作時間,減少高空和狹小空間作業,降低工作強度;
5.社會效益顯著:大大減少普通鋼板材料使用,科技進步帶來綜合社會效益;
圖(3)堆焊耐磨鋼板在礦石溜槽
這位專家還告訴我們說,北京耐默公司每年的銷售額都呈增加趨勢,其中原因一個是我國工業發展速度很快,還有就是這種產品的很多性能非常適合客戶的需求,特別是水泥廠、電廠等企業,對這種鋼板的需求量最大。







